বাড়ি / খবর

খবর

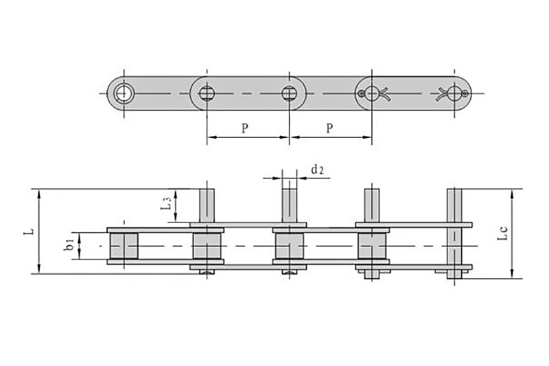
কনভেয়র চেইন প্রস্তুতকারক যান্ত্রিক চেইনের কাঠামোর পরিচয় দেয়

কনভেয়র চেইন প্রস্তুতকারক যান্ত্রিক চেইনের কাঠামোর পরিচয় দেয়

পরিবাহক চেইন প্রস্তুতকারক প্রবর্তন করেছেন যে একটি যান্ত্রিক চেইনের গঠন হল গিয়ার দাঁত, দাঁতের খাঁজ, প্রান্তের মুখ, স্বাভাবিক মুখ, সংযোজ...

শিল্প Sprocket পরিধান পদ্ধতি কি কি

শিল্প Sprocket পরিধান পদ্ধতি কি কি

পরিধান পদ্ধতি কি কি শিল্প স্প্রোকেট ? 1. ঘষিয়া তুলিয়া ফেলিতে সক্ষম পরিধান: এটি দাঁত পৃষ্ঠের পেষকদন্ত যা গিয়ার বন্ধ করার ...

পাতার চেইনের 4 সাধারণ তৈলাক্তকরণ পদ্ধতি

পাতার চেইনের 4 সাধারণ তৈলাক্তকরণ পদ্ধতি

চেইনটি যতক্ষণ ব্যবহার করা হোক না কেন, এটির নিয়মিত রক্ষণাবেক্ষণ প্রয়োজন। উদাহরণস্বরূপ, পরিষ্কার এবং তৈলাক্তকরণ হল চেইনের আয়ু বাড়ানোর উপায়। এ...

যুক্তিসঙ্গতভাবে এবং সঠিকভাবে শিল্প চেইন ব্যবহার কিভাবে

যুক্তিসঙ্গতভাবে এবং সঠিকভাবে শিল্প চেইন ব্যবহার কিভাবে

শিল্প চেইন একটি খুব সাধারণ চেইন, এটি প্রধানত একটি শিল্প পরিবেশে ব্যবহৃত হয়, তাই এই ধরনের চেইন ব্যবহার করার সময় কি মনোযোগ দেওয়া উচিত। আস...

কীভাবে নীরব চেইনটি সঠিকভাবে পরিষ্কার এবং মেরামত করবেন

কীভাবে নীরব চেইনটি সঠিকভাবে পরিষ্কার এবং মেরামত করবেন

এর স্বাভাবিক অপারেশন নীরব চেইন চেইনের স্বাভাবিক রক্ষণাবেক্ষণ এবং সুরক্ষার উপর নির্ভর করে। যে চেইনটি পরিষ্কার করা দরকার তার জন্য, এটি ...

মোটরসাইকেল চেইন ইনস্টলেশন সতর্কতা

মোটরসাইকেল চেইন ইনস্টলেশন সতর্কতা

মোটরসাইকেল চেইন মোটরসাইকেলের একটি গুরুত্বপূর্ণ অংশ। এর কাজ হল মোটরসাইকেল চালানো এবং মোটরসাইকেল চালানো। তাহলে চলুন দেখে নেওয়া যাক কিভাব...

রোলার চেইনের অ্যাপ্লিকেশন শিল্পগুলি কী কী?

রোলার চেইনের অ্যাপ্লিকেশন শিল্পগুলি কী কী?

এর নির্দিষ্ট ফাংশনের কারণে, রোলার চেইন অন্যান্য চেইন থেকে আলাদা সমাবেশ পদ্ধতি রয়েছে, যা রোলার চেইনের অনন্য সহনশীলতা এবং টানা শক্তি ত...

ড্রাইভ চেইন ভূমিকা কি

ড্রাইভ চেইন ভূমিকা কি

দৈনন্দিন জীবনে আমরা প্রায়ই সব ধরনের দেখতে পাই ড্রাইভ চেইন . সহজভাবে বলতে গেলে, একটি চেইন হল ধাতু দিয়ে তৈরি একটি রিং, এবং তারপর এই র...

রোলার চেইনের গুণমান বিচার করার 3টি উপায়

রোলার চেইনের গুণমান বিচার করার 3টি উপায়

মান বিচার করার 3 উপায় রোলার চেইন : 1. চেইনের গুণমান চেহারা থেকে আলাদা করা যায় এটি প্রধানত চেইনের বিকৃতি, সেইসাথে বর্তম...

ড্রাইভ চেইন পরিষ্কারের কৌশল

ড্রাইভ চেইন পরিষ্কারের কৌশল

ড্রাইভ চেইন পরিষ্কার করার কৌশল: 1. গরম সাবান জল, হ্যান্ড স্যানিটাইজার, একটি ফেলে দেওয়া টুথব্রাশ ব্যবহার করুন, বা একটু শক্ত ব্র...

কৃষি চেইন ব্যবহারের জন্য সতর্কতা

কৃষি চেইন ব্যবহারের জন্য সতর্কতা

ব্যবহারের জন্য সতর্কতা কৃষি চেইন : 1. ভাল নির্ভরযোগ্যতা এবং বজায় রাখা. চেইনটি বিশেষ পরিবেশ যেমন ঘর্ষণ প্রতিরোধের এবং উচ্চ-তা...

ট্রান্সমিশন চেইনের রক্ষণাবেক্ষণ জ্ঞান

ট্রান্সমিশন চেইনের রক্ষণাবেক্ষণ জ্ঞান

দ ট্রান্সমিশন চেইন যান্ত্রিক সরঞ্জামগুলির মধ্যে একটি অত্যন্ত গুরুত্বপূর্ণ ট্রান্সমিশন কাঠামো, যা সরঞ্জামের কার্যক্ষমতা এবং পরিষেবা জী...