বাড়ি / খবর

খবর

ড্রাইভ চেইনের গুণমান কীভাবে সনাক্ত করবেন

ড্রাইভ চেইনের গুণমান কীভাবে সনাক্ত করবেন

কিভাবে শনাক্ত করা যায় এর গুণমান ড্রাইভ চেইন ভাল, আসুন একসাথে এটি কটাক্ষপাত করা যাক. 1. চেইনের গুণমান চেহারা থেকে আলাদা করা...

কিভাবে মরিচা থেকে রোলার চেইন প্রতিরোধ করা যায়

কিভাবে মরিচা থেকে রোলার চেইন প্রতিরোধ করা যায়

রোলার চেইন বর্তমান শিল্প উৎপাদনে বিরাট ভূমিকা পালন করেছে। তারপর দীর্ঘমেয়াদী ব্যবহারের পরে, আপনি দেখতে পাবেন যে উপাদানগুলি বয়স হয়ে যা...

কৃষি চেইন প্রস্তুতকারী চেইন পরিবাহকের ব্যবহারের প্রয়োজনীয়তা প্রবর্তন করে

কৃষি চেইন প্রস্তুতকারী চেইন পরিবাহকের ব্যবহারের প্রয়োজনীয়তা প্রবর্তন করে

কৃষি চেইন প্রস্তুতকারক প্রবর্তন করেছেন যে চেইন পরিবাহক বিভিন্ন পরিবেশ এবং প্রয়োজনীয়তার জন্য উপযুক্ত। বিশেষত, এটি নিম্নলিখিত হিসাবে সং...

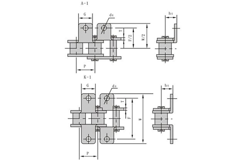
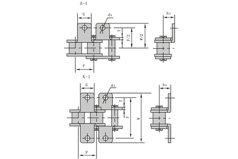
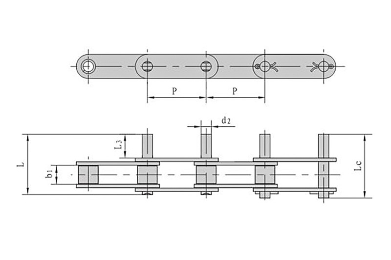
ট্রান্সমিশন চেইন প্রকার কি কি?

ট্রান্সমিশন চেইন প্রকার কি কি?

চেইন ট্রান্সমিশন চেইনের প্রকারভেদে ভাগ করা যায় ট্রান্সমিশন চেইন , লিফটিং চেইন এবং ট্র্যাকশন চেইন। উত্তোলন চেইন এবং ট্র্যাকশন চেইন উত...

শিল্প স্প্রোকেট মেরামতের জন্য সাধারণ পদ্ধতি

শিল্প স্প্রোকেট মেরামতের জন্য সাধারণ পদ্ধতি

শিল্প স্প্রোকেট শিল্প যন্ত্রপাতির উপর একটি সহজ পরিধান আনুষঙ্গিক. জীর্ণ গিয়ারগুলির জন্য, আমরা কিছু পদ্ধতির মাধ্যমে সেগুলিকে মেরামত করতে পারি ...

পরিবাহক চেইন রক্ষণাবেক্ষণ পদ্ধতি

পরিবাহক চেইন রক্ষণাবেক্ষণ পদ্ধতি

আজ রক্ষণাবেক্ষণের পদ্ধতি শেয়ার করব পরিবাহক চেইন : 1. চেইনের নিবিড়তা একটি গুরুত্বপূর্ণ বিষয়। এটিকে অতিরিক্ত টাইট বা আলগা ...

লিফ চেইন নির্মাতারা কীভাবে সঠিকভাবে লিফটিং গ্যালভানাইজড চেইন ব্যবহার করবেন তা শেয়ার করে

লিফ চেইন নির্মাতারা কীভাবে সঠিকভাবে লিফটিং গ্যালভানাইজড চেইন ব্যবহার করবেন তা শেয়ার করে

উত্তোলন বস্তুর উত্তোলন উচ্চতার উপর নির্ভর করে, শিকলের দৈর্ঘ্য উত্তোলন এবং পরিবহন অপারেশন সম্পূর্ণ করতে সামঞ্জস্য করা যেতে পারে। গ্যালভানাইজড চেই...

শিল্প চেইন নির্মাতারা গার্ডেল চেইনের নির্ভরযোগ্যতা কীভাবে বিচার করবেন তা শেয়ার করে

শিল্প চেইন নির্মাতারা গার্ডেল চেইনের নির্ভরযোগ্যতা কীভাবে বিচার করবেন তা শেয়ার করে

যদি একটি রেললাইন চেইন ব্যবহার করা হয়, তবে এর নির্ভরযোগ্যতা খুবই গুরুত্বপূর্ণ। নিম্নলিখিত শিল্প চেইন প্রস্তুতকারক আপনাকে পরিচয় করিয়...

নীরব চেইন কৃষি অটোমেশন উৎপাদনে ব্যবহার করা যেতে পারে

নীরব চেইন কৃষি অটোমেশন উৎপাদনে ব্যবহার করা যেতে পারে

জন্য নীরব চেইন , জীবনের সর্বক্ষেত্রে এর উপযোগিতা তুলনামূলকভাবে বড়। তাদের মধ্যে, আমাদের কৃষক বন্ধুরা সাইলেন্ট চেইনের কাছাকাছি, যা একট...

মোটরসাইকেল চেইন কেনার সময় যে বিষয়গুলো খেয়াল রাখতে হবে

মোটরসাইকেল চেইন কেনার সময় যে বিষয়গুলো খেয়াল রাখতে হবে

কেনার সময় অনেক কিছুর দিকে খেয়াল রাখতে হবে মোটরসাইকেল চেইন . অনেক পেশাদার মানুষ চেইন কেনার পদ্ধতি খুব একটা বোঝেন না। শিকলের...

কিভাবে রোলার চেইন মরিচা দাগ অপসারণ

কিভাবে রোলার চেইন মরিচা দাগ অপসারণ

রোলার চেইন শক্তিশালী জারা প্রতিরোধের আছে, কিন্তু এটা মরিচা দাগ আছে কি? প্রথমত, আমরা বুঝতে পারি যে পিকলিং ক্রিম চেইনের পৃষ্ঠের...

কীভাবে ড্রাইভ চেইন থেকে তেলের দাগ দূর করবেন

কীভাবে ড্রাইভ চেইন থেকে তেলের দাগ দূর করবেন

ব্যবহারের পর ড্রাইভ চেইন দীর্ঘ সময়ের জন্য, আপনি যদি তেল রক্ষণাবেক্ষণে মনোযোগ না দেন তবে প্রচুর তেল বা ময়লা থাকবে। আপনি যদি সময়মতো ...