বাড়ি / খবর

খবর

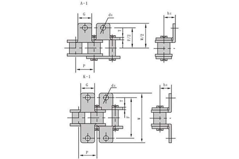
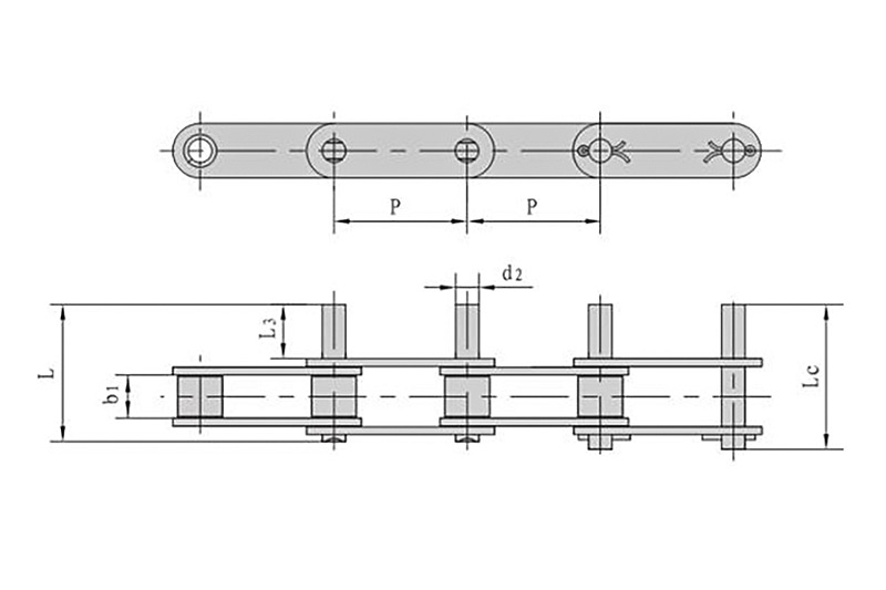
কৃষি চেইন প্রস্তুতকারক চেইন নির্বাচনের পদ্ধতি প্রবর্তন করে

কৃষি চেইন প্রস্তুতকারক চেইন নির্বাচনের পদ্ধতি প্রবর্তন করে

কৃষি চেইন প্রস্তুতকারক চেইন নির্বাচন করার পদ্ধতি প্রবর্তন করে: প্রথমত, এটি স্টেইনলেস স্টীল চেইন উপাদানের পছন্দ। বিভিন্ন মান ...

ট্রান্সমিশন চেইন প্রস্তুতকারক পরিচয় করিয়ে দেয় কিভাবে চেইন বজায় রাখা যায়

ট্রান্সমিশন চেইন প্রস্তুতকারক পরিচয় করিয়ে দেয় কিভাবে চেইন বজায় রাখা যায়

ট্রান্সমিশন চেইন প্রস্তুতকারক পরিচয় করিয়ে দেয় কিভাবে চেইন বজায় রাখা যায়: 1. স্প্রোকেটের নিবিড়তা উপযুক্ত হওয়া উচিত। খুব টা...

কনভেয়র চেইন নির্মাতারা কীভাবে কার্যকরভাবে চেইনের প্রয়োগের ক্ষতি কমাতে পারে তা উপস্থাপন করে

কনভেয়র চেইন নির্মাতারা কীভাবে কার্যকরভাবে চেইনের প্রয়োগের ক্ষতি কমাতে পারে তা উপস্থাপন করে

পরিবাহক চেইন নির্মাতারা কীভাবে কার্যকরভাবে শৃঙ্খলের প্রয়োগের ক্ষতি হ্রাস করবেন তা উপস্থাপন করে: চেইন কুলিং সঞ্চালন জল প্রয়োগের দিকে মন...

শিল্প স্প্রোকেট নির্মাতারা চেইন ব্যর্থতার কারণ উপস্থাপন করে

শিল্প স্প্রোকেট নির্মাতারা চেইন ব্যর্থতার কারণ উপস্থাপন করে

শিল্প স্প্রোকেট নির্মাতারা চেইন ব্যর্থতার কারণ উপস্থাপন করে: 1. বাতাসের চাপ অস্বাভাবিক কিনা, যেমন এয়ার পাম্প অস্বাভাবিক কিনা, এয়ার পাই...

লিফ চেইন সরবরাহকারীরা কীভাবে চেইনটি বজায় রাখতে হয় সে সম্পর্কে কথা বলেন

লিফ চেইন সরবরাহকারীরা কীভাবে চেইনটি বজায় রাখতে হয় সে সম্পর্কে কথা বলেন

যদি পরিবাহক চেইনটি দীর্ঘ সময়ের জন্য রক্ষণাবেক্ষণ না করা হয় তবে এটি ব্যর্থতার হার বৃদ্ধি এবং পরিষেবা জীবন সংক্ষিপ্ত করার মতো সমস্যা সৃষ্টি করবে...

ইন্ডাস্ট্রিয়াল চেইন সরবরাহকারীরা পরিচয় করিয়ে দেয় কেন চ্যাটগুলি জটলা হয়

ইন্ডাস্ট্রিয়াল চেইন সরবরাহকারীরা পরিচয় করিয়ে দেয় কেন চ্যাটগুলি জটলা হয়

শিল্প শৃঙ্খলে একটি ঝাঁকুনি হলে আমাদের কী করা উচিত? আমি বিশ্বাস করি এটা অনেক মানুষ খুব জানতে চায়. তারপর, শিল্প চেইন সরবরাহকারীরা অভিজ...

সাইলেন্ট চেইন নির্মাতারা চেইন সামঞ্জস্য করার জন্য সতর্কতা অবলম্বন করে

সাইলেন্ট চেইন নির্মাতারা চেইন সামঞ্জস্য করার জন্য সতর্কতা অবলম্বন করে

নীরব চেইন আপনাকে সাহায্য করার আশায় নির্মাতারা চেইন সামঞ্জস্য করার জন্য সতর্কতা অবলম্বন করে: চেইনের নিবিড়তা 15 মিমি এবং 20 ম...

মোটরসাইকেল চেইন নির্মাতারা স্টেইনলেস স্টীল চেইন সংরক্ষণের জন্য কৌশল প্রবর্তন করে

মোটরসাইকেল চেইন নির্মাতারা স্টেইনলেস স্টীল চেইন সংরক্ষণের জন্য কৌশল প্রবর্তন করে

স্টেইনলেস স্টিলের চেইনের স্টোরেজও জীবন বাড়ানোর জন্য গুরুত্বপূর্ণ। নিম্নলিখিত মোটরসাইকেল চেইন নির্মাতারা স্টেইনলেস স্টীল চেইন সংরক্ষণ...

রোলার চেইন প্রস্তুতকারক পরিবাহক চেইনের বৈশিষ্ট্য উপস্থাপন করে

রোলার চেইন প্রস্তুতকারক পরিবাহক চেইনের বৈশিষ্ট্য উপস্থাপন করে

রোলার চেইন প্রস্তুতকারক পরিবাহক চেইনের বৈশিষ্ট্যগুলি প্রবর্তন করেছেন: 1. কম দাম, সহজ গঠন, এবং সুবিধাজনক রক্ষণাবেক্ষণ; ...

ড্রাইভ চেইন প্রস্তুতকারক স্প্রোকেট বজায় রাখার কৌশল প্রবর্তন করেছে

ড্রাইভ চেইন প্রস্তুতকারক স্প্রোকেট বজায় রাখার কৌশল প্রবর্তন করেছে

ড্রাইভ চেইন প্রস্তুতকারক স্প্রোকেট বজায় রাখার কৌশল চালু করেছে: 1. চেইনের শক্ততা খুব বেশি টাইট বা খুব ঢিলে হওয়া উচিত নয়, অন...

কৃষি চেইন ব্যবহারের জন্য টিপস

কৃষি চেইন ব্যবহারের জন্য টিপস

ব্যবহারের জন্য সতর্কতা কৃষি চেইন : ভাল নির্ভরযোগ্যতা এবং রক্ষণাবেক্ষণযোগ্যতা। চেইনটি বিশেষ পরিবেশ যেমন ঘর্ষণ প্রতিরোধের এবং উচ্...

ট্রান্সমিশন চেইন রক্ষণাবেক্ষণ মান

ট্রান্সমিশন চেইন রক্ষণাবেক্ষণ মান

দ ট্রান্সমিশন চেইন যান্ত্রিক সরঞ্জামগুলির মধ্যে একটি অত্যন্ত গুরুত্বপূর্ণ ট্রান্সমিশন কাঠামো, যা সরঞ্জামের কার্যক্ষমতা এবং পরিষেবা জী...