বাড়ি / খবর

খবর

ট্রান্সমিশন চেইনের অনন্য সুবিধা

ট্রান্সমিশন চেইনের অনন্য সুবিধা

চেইনকে ট্রান্সমিশন চেইন, লিফটিং চেইন এবং ট্র্যাকশন চেইনে ভাগ করা যায়। লিফটিং চেইন এবং ট্র্যাকশন চেইনগুলি উত্তোলন এবং পরিবহন যন্ত্রপাতির জন্য ব্যবহ...

ট্রান্সমিশন চেইন ডিজাইনের ধাপগুলো কি কি

ট্রান্সমিশন চেইন ডিজাইনের ধাপগুলো কি কি

নকশা এবং উত্পাদন প্রক্রিয়ার মধ্যে ট্রান্সমিশন চেইন , চারটি গুরুত্বপূর্ণ ধাপ রয়েছে: ব্ল্যাঙ্কিং, ব্রেডিং, ওয়েল্ডিং, "শেপিং" এবং হিট...

কনভেয়ার চেইনে ব্যবহৃত চারটি লুব্রিকেশন পদ্ধতি

কনভেয়ার চেইনে ব্যবহৃত চারটি লুব্রিকেশন পদ্ধতি

চেইন শিল্পে, পরিবাহক চেইন একটি সাধারণভাবে ব্যবহৃত চেইন প্রকার। এটি ব্যবহারের সময় তৈলাক্ত তেলের রক্ষণাবেক্ষণও প্রয়োজন। তাই কিভাবে উপ...

লিফ চেইন এর কাজ কি?

লিফ চেইন এর কাজ কি?

যেহেতু ব্লেড চেইনের উপাদানগুলি স্ট্যান্ডার্ড রোলার চেইনের আকারে অনুরূপ, ব্লেড চেইনের অর্থনৈতিক উত্পাদন অনেকাংশে কারখানার উপর নির্ভর করে যা প্রচুর প...

নীরব চেইনের গঠন ও বৈশিষ্ট্য

নীরব চেইনের গঠন ও বৈশিষ্ট্য

এর গঠন নীরব চেইন খুব সহজ: শুধুমাত্র বোর্ড এবং পিন. 9.52 মিমি থেকে 50.8 মিমি পর্যন্ত আটটি ভিন্ন পিচ রয়েছে। লিঙ্ক প্লেটটি টানার শ...

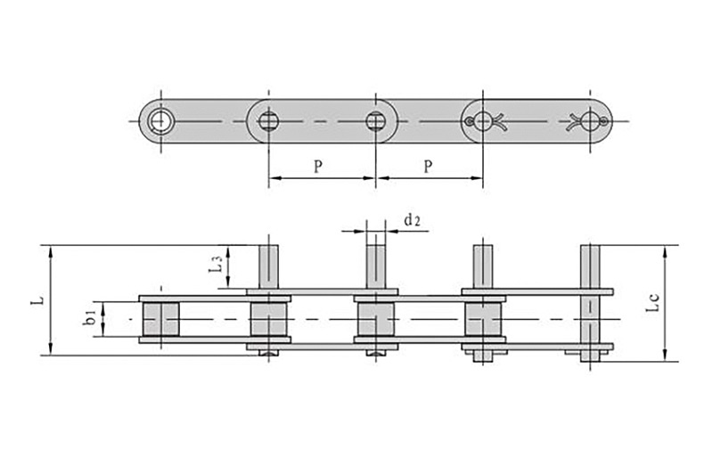
রোলার চেইন ওয়্যারেন্টি বিবরণ

রোলার চেইন ওয়্যারেন্টি বিবরণ

দ রোলার চেইন একটি ভিতরের চেইন প্লেট, একটি বাইরের চেইন প্লেট, একটি পিন, একটি হাতা এবং একটি রোলার নিয়ে গঠিত। দre is an interferen...

শিল্প স্প্রকেট দীর্ঘ সময়ের জন্য পরিধান করা হবে

শিল্প স্প্রকেট দীর্ঘ সময়ের জন্য পরিধান করা হবে

আমরা ব্যবহার করলে আমরা সবাই এটি খুঁজে পাব শিল্প স্প্রোকেট দীর্ঘ সময়ের জন্য, আমরা দেখতে পাব যে ইন্ডাস্ট্রিয়াল স্প্রকেটের একটি পরিধান...

ইন্ডাস্ট্রিয়াল স্প্রকেট এবং সিঙ্ক্রোনাস পুলির মধ্যে পার্থক্য

ইন্ডাস্ট্রিয়াল স্প্রকেট এবং সিঙ্ক্রোনাস পুলির মধ্যে পার্থক্য

একটি স্প্রোকেট হল একটি কগ-টাইপ স্প্রোকেট চাকা, যা পিচ চেইন রিং বা তারের পিচের সাথে সঠিকভাবে মেশ করতে ব্যবহৃত হয়। এটি একটি কঠিন বা কথ্য ধরনের অন্তর...

কি ধরনের লুব্রিকেন্ট শিল্প চেইনের জন্য উপযুক্ত

কি ধরনের লুব্রিকেন্ট শিল্প চেইনের জন্য উপযুক্ত

চেইন তৈলাক্তকরণে ব্যবহৃত তরল তৈলাক্ত পদার্থের তৈলাক্তকরণ, মরিচা প্রতিরোধ, জলরোধী এবং শিল্প শৃঙ্খলের জন্য অ্যান্টিফ্রিকশনের কাজ রয়েছে। বিভিন্ন বেস ...

ড্রাইভ চেইন ডিজাইন জীবনের সর্বত্র

ড্রাইভ চেইন ডিজাইন জীবনের সর্বত্র

ড্রাইভ চেইন ডিজাইন জীবনের সর্বত্র আছে। তাহলে ড্রাইভ চেইনের নীতিটি কীভাবে ডিজাইন করা হয়েছে? ড্রাইভ চেইন হল একটি ট্রান্সমিশন পদ্ধতি যা ...

কৃষি চেইন প্রস্তুতকারক যান্ত্রিক চেইনের রক্ষণাবেক্ষণ পদ্ধতি প্রবর্তন করে

কৃষি চেইন প্রস্তুতকারক যান্ত্রিক চেইনের রক্ষণাবেক্ষণ পদ্ধতি প্রবর্তন করে

যান্ত্রিক চেইনের রক্ষণাবেক্ষণের বিষয়ে, hzqjchain প্রস্তুতকারকের দ্বারা নিম্নলিখিত বর্ণনা করা হবে কৃষি চেইন তাদের নিজস্ব অভিজ্ঞতার ভি...

ট্রান্সমিশন চেইন হল একটি সাধারণ ধরনের চেইন

ট্রান্সমিশন চেইন হল একটি সাধারণ ধরনের চেইন

চেইনের প্রধান ক্যাটাগরিগুলো হল: ট্রান্সমিশনের জন্য শর্ট পিচ রোলার চেইন, ট্রান্সমিশনের জন্য ডাবল পিচ রোলার চেইন, ট্রান্সমিশনের জন্য স্লিভ চেইন, হে...