বাড়ি / খবর

খবর

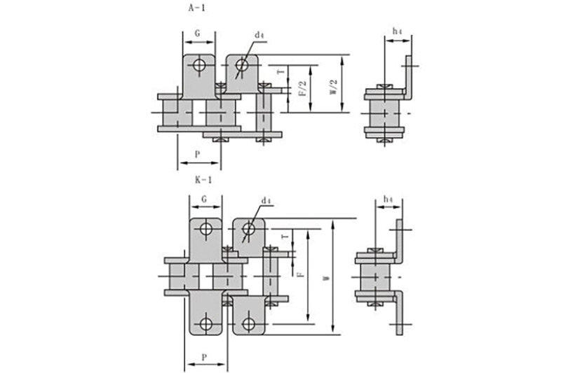
ট্রান্সমিশন চেইনের ডিজাইন দর্শন এবং কর্মপ্রবাহ

ট্রান্সমিশন চেইনের ডিজাইন দর্শন এবং কর্মপ্রবাহ

ট্রান্সমিশন চেইন , একটি সাধারণ ট্রান্সমিশন ফোর্স ডিভাইস হিসাবে, হাইপারবোলিক আর্কের "চেইন" ডিজাইনের মাধ্যমে ঘর্ষণ শক্তি হ্রাস করে। এটি এ...

কিভাবে রোলার চেইন স্ট্যাটিক বিদ্যুতের উত্পাদন হ্রাস করে

কিভাবে রোলার চেইন স্ট্যাটিক বিদ্যুতের উত্পাদন হ্রাস করে

রোলার চেইন দেখতে একটি ট্যাঙ্ক চেইনের মতো এবং অনেক ইউনিট লিঙ্কের সমন্বয়ে গঠিত। লিঙ্কগুলি অবাধে ঘুরতে পারে। প্লেট চেইনগুলির একই সিরিজের ...

কেন রোলার চেইন ক্ষয়প্রাপ্ত হবে তা সংক্ষেপে ব্যাখ্যা করুন

কেন রোলার চেইন ক্ষয়প্রাপ্ত হবে তা সংক্ষেপে ব্যাখ্যা করুন

কাজের পরিবেশের কারণে রোলার চেইন , স্বাভাবিকভাবেই কিছু ক্ষয় হবে, তাই রোলার চেইন ক্ষয়প্রাপ্ত হওয়ার প্রধান কারণ কী, প্রধানত নিম্নলিখি...

ড্রাইভ চেইন নির্মাতা পরিচয় দেয় কেন চেইন পরিবহনের সময় পক্ষপাতদুষ্ট হবে

ড্রাইভ চেইন নির্মাতা পরিচয় দেয় কেন চেইন পরিবহনের সময় পক্ষপাতদুষ্ট হবে

চেইন ট্রান্সমিশন এবং পরিবহনে ধীরে ধীরে ত্রুটি থাকতে পারে। যদিও এটি খুব বড় নয়, তবে সময়ের সঞ্চয়, ট্রান্সমিশনে কিছু ত্রুটি থাকবে। কিভাবে এই ত্রুটি...

কীভাবে কার্যকরভাবে ট্রান্সমিশন চেইনকে ত্রুটিপূর্ণ থেকে রোধ করা যায়

কীভাবে কার্যকরভাবে ট্রান্সমিশন চেইনকে ত্রুটিপূর্ণ থেকে রোধ করা যায়

এর উৎপাদন প্রক্রিয়ায় ট্রান্সমিশন চেইন , চেইন ব্যর্থ হলে, প্রযোজককে নির্দিষ্ট ব্যর্থতার ফর্ম অনুযায়ী সবচেয়ে উপযুক্ত সমাধান খুঁজে ব...

কনভেয়ার চেইনের সাধারণ ত্রুটিগুলি কী কী?

কনভেয়ার চেইনের সাধারণ ত্রুটিগুলি কী কী?

পরিবাহক চেইন শিল্প শৃঙ্খলে ব্যাপকভাবে ব্যবহৃত হয়, যেমন খাদ্য পরিবহন যন্ত্রপাতি, সার পরিবাহী সরঞ্জাম, খনির মেশিন চেইন ইত্যাদি। কন...

পাতার চেইন রক্ষণাবেক্ষণের জন্য সতর্কতা

পাতার চেইন রক্ষণাবেক্ষণের জন্য সতর্কতা

কখন পাতার চেইন চেইনটি সক্রিয় হয়ে গেলে ইনস্টল করা হয়, চেইনটি স্বাভাবিকভাবে কাজ করছে কিনা এবং করাত চেইনের টান স্বাভাবিক কিনা তা পরীক...

কিভাবে ইন্ডাস্ট্রিয়াল স্প্রকেট বজায় রাখা যায়

কিভাবে ইন্ডাস্ট্রিয়াল স্প্রকেট বজায় রাখা যায়

এর রক্ষণাবেক্ষণে শিল্প স্প্রোকেট , স্প্রোকেটের দাঁতের আকৃতিতে মনোযোগ দিন। স্প্রোকেটের দাঁতের আকৃতি নিশ্চিত করতে হবে যে চেইনটি মসৃণভা...

রোলার চেইন লিঙ্কের সংখ্যা সমান হতে হবে

রোলার চেইন লিঙ্কের সংখ্যা সমান হতে হবে

রোলার চেইন চেইন দৈর্ঘ্য লিঙ্ক সংখ্যা দ্বারা প্রকাশ করা হয়. চেইন লিঙ্কের সংখ্যা পছন্দনীয়ভাবে একটি জোড় সংখ্যা, যাতে চেইনগুলি যখন একটি...

ইন্ডাস্ট্রিয়াল স্প্রকেট হল একটি সলিড বা স্পোকড গিয়ার

ইন্ডাস্ট্রিয়াল স্প্রকেট হল একটি সলিড বা স্পোকড গিয়ার

শিল্প স্প্রোকেট কগ-টাইপ বাকল দাঁত সহ একটি চাকা বোঝায়, যা একটি লিঙ্ক চেইন বা তারের একটি সঠিক পিচ সহ একটি ব্লকের সাথে মেশ করতে ব্যবহৃত ...

পরিষেবা জীবন বাড়ানোর জন্য কীভাবে শিল্প চেইন বজায় রাখা যায়

পরিষেবা জীবন বাড়ানোর জন্য কীভাবে শিল্প চেইন বজায় রাখা যায়

শিল্প চেইন দীর্ঘমেয়াদী ব্যবহারের পরে শিথিল বা এমনকি সংযোগ বিচ্ছিন্ন হয়ে যাবে এবং কীভাবে এই জাতীয় সমস্যাগুলি প্রতিরোধ করা যায়? ...

মোটরসাইকেল চেইন প্রতিস্থাপনের পদক্ষেপ

মোটরসাইকেল চেইন প্রতিস্থাপনের পদক্ষেপ

যখন মোটরসাইকেল চেইন প্রতিস্থাপন করতে হবে, এটি লক্ষ করা উচিত যে চেইন এবং স্প্রোকেট একসাথে প্রতিস্থাপন করা উচিত। নতুন চেইন পুরানো স্প্র...